+86 020 3613 0113
型钢
下拉
产品分类
标签
C 型檩条和 Z 型檩条
低碳扁钢
热轧桩
批发槽钢
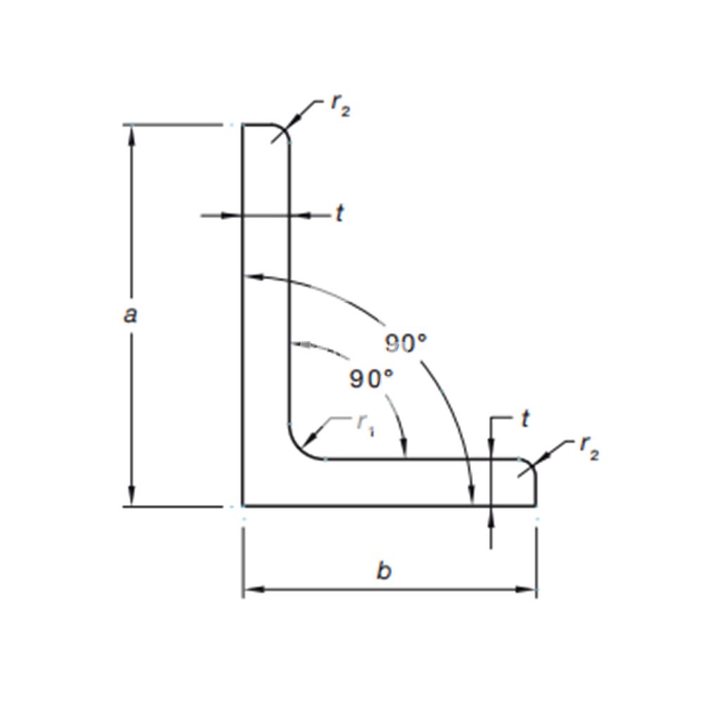
角铁
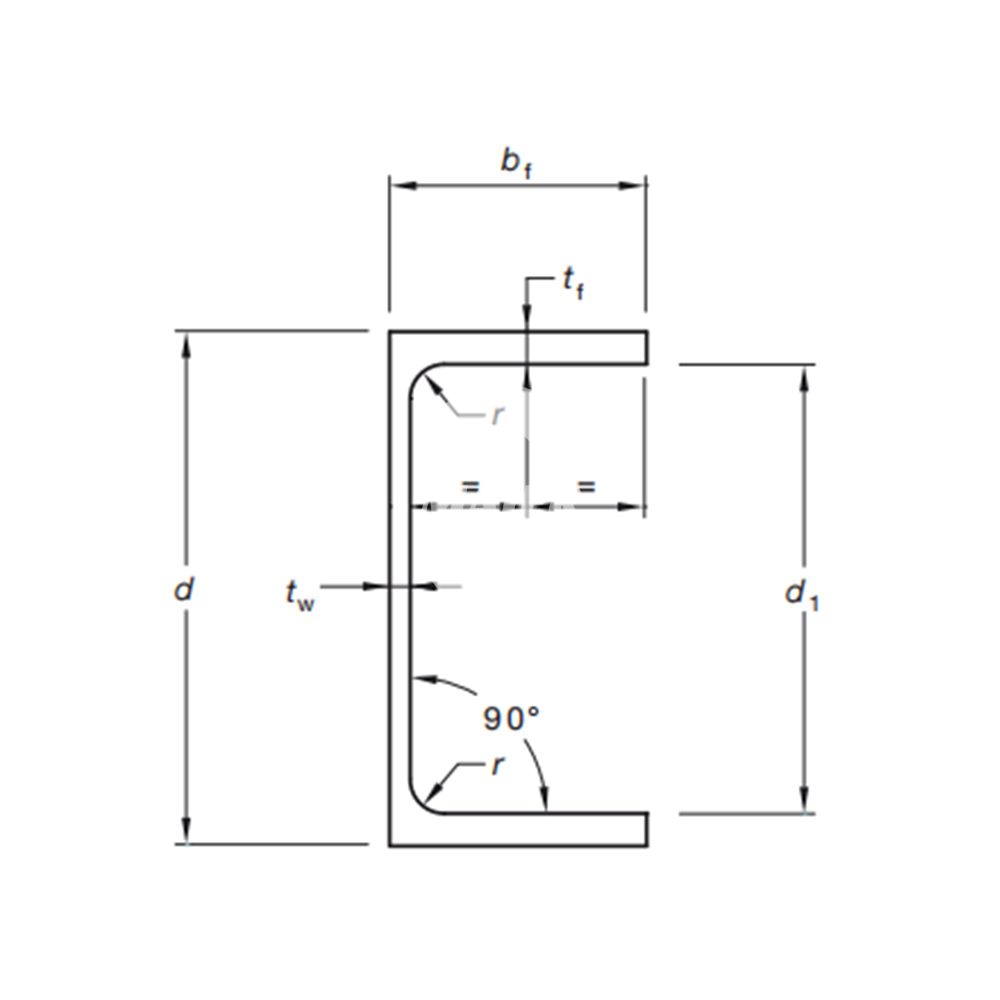
H 型钢 ASTM
H 型钢 AS/NZS3679.1(UC)
H 型钢 AS/NZS3679.1(UB)
下载